GROHE Grohtherm Perfect: luxe regendouche met slimme thermostaat

GROHE Grohtherm Perfect: luxe regendouche met slimme thermostaat

De GROHE Grohtherm Perfect inbouw regendouche (ø21 cm) levert een complete en technisch hoogstaande douche-ervaring: een metalen 21 cm hoofddouche met Rain-straal, een compacte Sena handdouche, een Rapido SmartBox inbouwunit en een Grohtherm thermostaattrim met AquaDimmer. Belangrijke GROHE-technologieën zoals TurboStat (constante temperatuur), DreamSpray (gelijke waterverdeling), SpeedClean (gevulde siliconen sproeigaatjes) en EcoJoy (waterbesparing tot 40%) maken deze set geschikt voor dagelijks comfort en duurzaamheid. De set is familievriendelijk door SafeStop en optioneel SafeStop Plus. Installatie vereist een inbouwbox en enige loodgietersvaardigheid, maar het QuickFix-systeem vereenvoudigt veel stappen. Esthetisch overtuigt de StarLight-chroomafwerking met een slank profiel en minimale uitsteek.

De belangrijkste kenmerken

Goed om rekening mee te houden voordat je een aankoop doet.

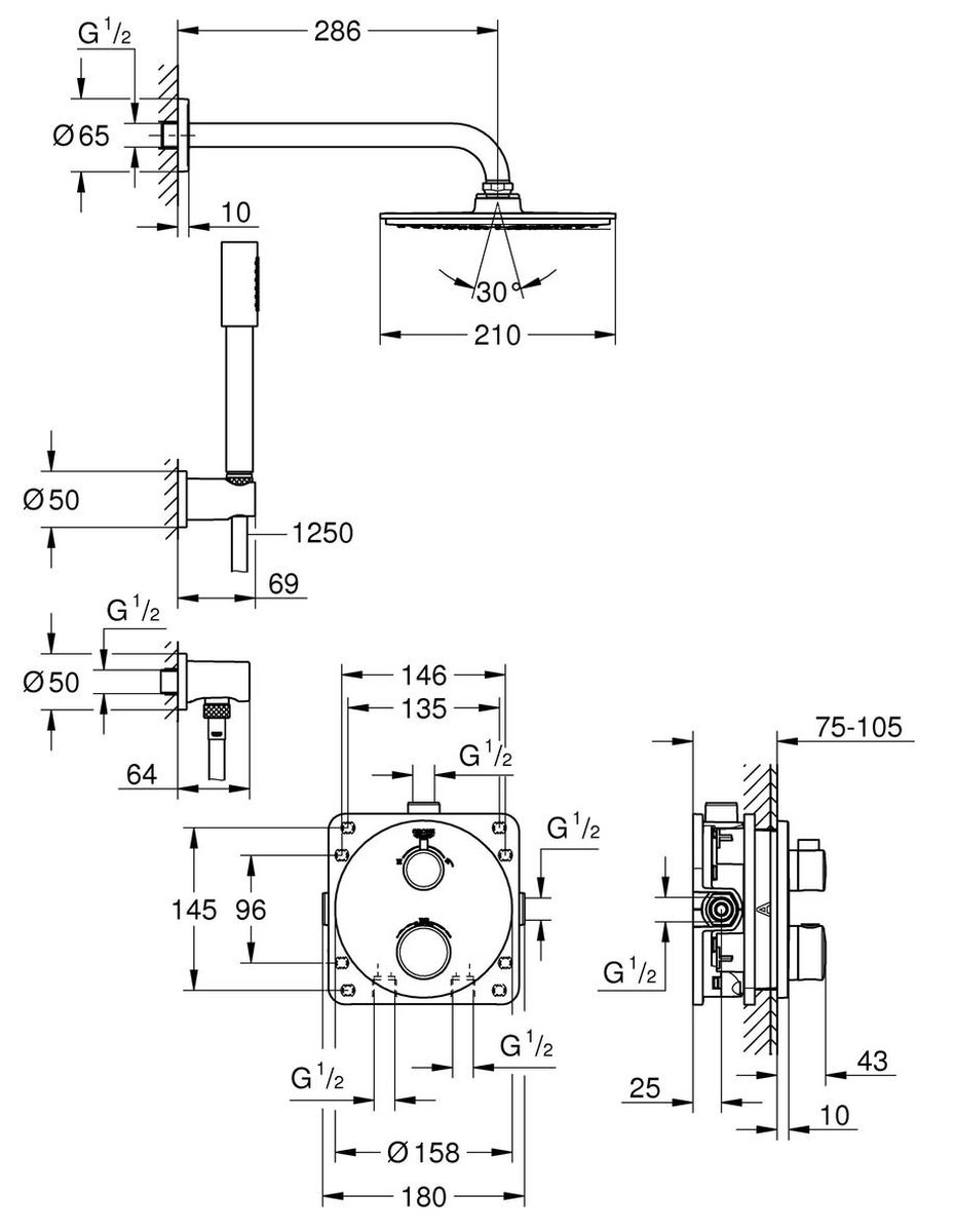
Hoofddouche diameter 210 mm
Douchearm lengte 286 mm
Doucheslang 1250 mm Silverflex TwistFree
Thermostaat trim diameter 158 mm
Inbouwbox afmetingen 180 x 180 mm (Rapido SmartBox)
Totale diepte (voor/achter wand) 148 mm

De GROHE Grohtherm Perfect Regendouche inbouw ø21cm Chroom in één oogopslag

De GROHE Grohtherm Perfect Regendouche inbouw ø21cm Chroom in één oogopslag

De GROHE Grohtherm Perfect regendouche inbouw ø21cm is gepositioneerd als een complete premium doucheset die zowel comfort als veiligheid combineert. De set bevat de Grohtherm thermostaattrim met een slank rond ontwerp, de Rapido SmartBox inbouwbox voor verborgen installatie, een metalen Rainshower-hoofddouche met een diameter van 210 mm, een metalen handdouche (Sena Stick), een 1250 mm Silverflex TwistFree-slang en een stevige douchearm. Samen biedt dit pakket alles wat je van een moderne regendouche verwacht: een zachte, uitgebreide Rain-ervaring van de hoofddouche en een krachtige, verfrissende standaardstraal via de handdouche.

Technisch blinkt de set uit door GROHE-specifieke innovaties: TurboStat zorgt voor vrijwel directe en constante watertemperatuur, DreamSpray garandeert dat elke sproeigaatje gelijkmatig water levert, en SpeedClean maakt kalkaanslag eenvoudig te verwijderen met een veeg van de vinger. Daarnaast draagt EcoJoy bij aan waterbesparing tot zo’n 40% zonder comfortverlies en zorgt Inner WaterGuide dat de chroomlaag beschermd wordt en de douchekop nooit onaangenaam heet wordt. De thermostaat is uitgerust met SafeStop op 38°C; optioneel kan SafeStop Plus worden toegepast om de maximale temperatuur extra te limiteren.

Met de AquaDimmer schakel je soepel tussen hoofddouche en handdouche en regel je het volume in één beweging. De Grohtherm trim heeft een smal profiel met een wandplaat van 10 mm en een totale uitsteek van 43 mm, wat een strakke inbouwlook oplevert. Ondanks het hoogwaardige en solide aanbod vergt de installatie aandacht: de Rapido SmartBox vereenvoudigt veel stappen, maar omdat het om een inbouwoplossing gaat, is enige ervaring met loodgieterij en muurwerk aan te raden om een nette en foutloze plaatsing te garanderen.

Wat vinden we goed aan de GROHE Grohtherm Perfect Regendouche inbouw ø21cm Chroom

Wat vinden we goed aan de GROHE Grohtherm Perfect Regendouche inbouw ø21cm Chroom

Er zijn veel sterke punten aan de GROHE Grohtherm Perfect. Allereerst de thermostaat met TurboStat: deze technologie stabiliseert de watertemperatuur razendsnel en houdt die stabiel ook bij schommelingen in de toevoer. Dat zorgt direct voor comfort en veiligheid, zeker in huishoudens met kinderen of wanneer andere kranen in huis gebruikt worden.

De materiaalkeuze en afwerking verdienen ook lof. De metalen hoofddouche en handdouche voelen degelijk aan en de GROHE StarLight-chroomlaag behoudt zijn glans en is gemakkelijk te reinigen. Dankzij Inner WaterGuide wordt de chroomlaag beschermd en blijft de douchekop comfortabel warm om aan te raken. SpeedClean siliconen sproeigaatjes maken het verwijderen van kalkaanslag eenvoudig en snel, wat het onderhoud aanzienlijk verlaagt.

Functioneel scoort de set hoog: DreamSpray zorgt voor een gelijkmatige waterverdeling over alle sproeigaatjes, waardoor de Rain-straal van de hoofddouche aangenaam, vol en ontspannend aanvoelt. De Sena handdouche levert een betrouwbare standaardstraal die krachtig genoeg is voor het afspoelen van shampoo en zeepsop. TwistFree en de Silverflex-slang voorkomen gedraaide slangen, wat in de praktijk veel ergernis scheelt.

Tot slot is de set slim qua waterbeheer en veiligheid: EcoJoy vermindert waterverbruik zonder merkbaar comfortverlies, en SafeStop (met optie SafeStop Plus) beschermt tegen te hete temperaturen. De Rapido SmartBox en QuickFix-montagesysteem maken de technische installatie overzichtelijker en verminderen de kans op foutieve aansluitingen, mits de installateur ervaring heeft met inbouwsystemen.

Wat vinden we minder goed

Wat vinden we minder goed

Hoewel de GROHE Grohtherm Perfect veel voordelen heeft, zijn er ook enkele punten om rekening mee te houden. Allereerst de prijs: dit is een complete en kwalitatief hoogwaardige set, maar dat vertaalt zich in een hoger prijskaartje dan eenvoudige opbouwdouches of losse handdouches. Voor budgetbewuste kopers kan dat een struikelblok zijn.

Installatie vereist aandacht. Ondanks de Rapido SmartBox en QuickFix wordt het een ingrijpendere klus dan een standaard opbouwset. Omdat het om een inbouwoplossing gaat moet je nauwkeurig werken met de inbouwdiepte (totale diepte 148 mm) en positie van de inbouwbox; fouten leiden tot lastige aanpassingen achter de wand. Voor de meeste gebruikers is professionele installatie aan te raden, wat extra kosten met zich meebrengt.

Een praktisch aandachtspunt is de grootte van de hoofddouche: met een diameter van 210 mm levert hij een aangename regenkop-ervaring, maar wie een royaal wellness-effect verwacht (zoals bij 300+ mm regendouches) kan dat iets te beperkt vinden. Tot slot: door de uitgebreide technologieën en onderdelen (inbouwbox, trim, metalen armen) kunnen vervangende onderdelen en reparaties duurder zijn dan bij eenvoudiger systemen.

Voor- en nadelen

Voordelen
  • Snelle en constante temperatuurregeling via TurboStat
  • Gelijkmatige waterverdeling met DreamSpray en onderhoudsvriendelijk SpeedClean
  • Veiligheidsfunctie SafeStop (incl. optionele SafeStop Plus) en waterbesparing met EcoJoy
  • Duurzame metalen onderdelen en glanzende StarLight-chroomafwerking
  • TwistFree-slang en QuickFix/Rapido SmartBox voor eenvoudiger montage en gebruik
Nadelen
  • Hogere aanschafprijs in vergelijking met basisdouches
  • Installatie vereist ervaring met inbouwsystemen (meestal professionele montage nodig)
  • 210 mm hoofddouche biedt minder 'spa-gevoel' dan extra grote regendouches (300+ mm)
  • Vervangende onderdelen en reparaties kunnen prijzig zijn

Advies voor kopers

Advies voor kopers

Overweeg je de GROHE Grohtherm Perfect inbouw regendouche aan te schaffen? Begin met het afwegen van je wensen en situatie. Wil je een complete, geïntegreerde look met verborgen techniek en een betrouwbare thermostaat die constant de temperatuur regelt, dan is deze set een uitstekende keuze. Controleer vóór aankoop de beschikbare inbouwdiepte en de positie van leidingen in je muur: de Rapido SmartBox vereist nauwkeurige plaatsing en voldoende ruimte (totale diepte 148 mm). Als je geen ervaring hebt met inbouwwerk, plan dan installatie door een erkende installateur; dat voorkomt verrassingen en verzekert correcte wateraansluitingen en afdichtingen.

Let ook op de maat van de hoofddouche (210 mm). Deze levert een prettige Rain-ervaring, maar is niet zo groot als sommige wellness-achtige regendouches van 300 mm of groter. Als je een full spa-effect zoekt, vergelijk dan modellen met grotere diameter. Voor de meeste huishoudens biedt 210 mm echter een goede balans tussen waterverbruik en beleving.

Controleer bij de verkoper altijd welke onderdelen precies in de set zitten (soms variëren pakketten per markt). De aanwezigheid van Rapido SmartBox, Grohtherm trim, metalen hoofddouche en handdouche in deze set maakt het aantrekkelijk, maar bevestig ook dat de SafeStop Plus limiter optioneel leverbaar is als je extra beveiliging wilt. Houd rekening met extra kosten voor professionele installatie en mogelijke aanpassingen aan de wand of tegels.

Ten slotte: wil je besparen op water en energiekosten zonder comfort in te leveren, benut dan EcoJoy-instellingen en overweeg waterbesparende kranen elders in huis. Onderhoud is simpel: veeg snel over de SpeedClean sproeigaatjes en gebruik een zachte doek op de StarLight-chroom. Met deze voorbereidingen en aandacht voor installatie geniet je jarenlang van een veilige en comfortabele douche-ervaring.

Conclusie

Conclusie

De GROHE Grohtherm Perfect regendouche inbouw ø21cm is een goed doordachte en technisch hoogwaardige doucheset die veel comfort, veiligheid en duurzaamheid levert. De combinatie van TurboStat voor directe en stabiele watertemperatuur, DreamSpray voor een gelijkmatige straalverdeling en SpeedClean voor eenvoudig onderhoud maakt het product gebruiksvriendelijk en betrouwbaar in dagelijks gebruik. De metalen afwerking en StarLight-chroom zorgen voor een luxe uitstraling die zijn glans behoudt.

Voor gezinnen en huishoudens waar veiligheid en temperatuurbewaking belangrijk zijn, scoort deze set extra punten dankzij SafeStop en de mogelijkheid tot SafeStop Plus. EcoJoy draagt bij aan een verantwoord watergebruik zonder merkbaar verlies van doucheritueel. Functionaliteiten zoals TwistFree-slang en QuickFix-montage verhogen het gebruiksgemak in de praktijk.

Wel moet je rekening houden met de hogere aanschafkosten en de relatief ingrijpende installatie van een inbouwoplossing: professionele montage wordt aanbevolen om een foutloze, nette plaatsing te garanderen. Ook wie op zoek is naar een echt royale spa-ervaring met een extra grote regendouche kan overwegen een groter model te kiezen. Al met al is de Grohtherm Perfect een overtuigende keuze voor wie kwaliteit, veiligheid en behoud van comfort hoog in het vaandel heeft staan en bereid is te investeren in een duurzame doucheruimte.

Lotte

Lotte

Laatst bijgewerkt: 03-02-2026

Lotte is een gepassioneerde expert in regendouches en vaste auteur voor Beste Regendouche. Met ruim zeven jaar ervaring als productspecialist bij een sanitairwinkel en als adviseur voor badkamerprojecten vertaalt ze techniek naar praktische keuzes. Ze test douchekoppen, thermostaten en montagemethoden, met aandacht voor waterdruk, onderhoud en waterverbruik. In haar notitieboek verzamelt ze meetgegevens en gebruikerservaringen. Na werktijd experimenteert ze graag met nieuwe sproeipatronen, maakt ze lijstjes met tips, en geniet ze van een rustige douche na een lange wandeling.

GROHE Grohtherm Perfect Regendouche inbouw ø21cm Chroom

€513,43
Reviews op bol
Op voorraad. Voor 23:59 uur besteld, morgen in huis

Klaar om te beginnen?
Ontdek alle regendouches nu.

Vergelijken